BAN4-ZP-P326-SAFE-FRA rudá zdířka
| Katalog : | 5021-4025 |
| Dostupnost : | na objednávku |
| (obvyklá max. doba dodání : 3-5 dnů) | |
přidat do mého seznamu oblíbených položek
Jakmile bude položka naskladněna, přijde Vám zpráva.
nastavit hlídacího psa = pošle mail jakmile bude položka naskladněna
| cena eshop s DPH : | 71,- Kč |
| cena na prodejně : | 72,- Kč |
| sleva : | 1,39 % |
množstevní slevy eshop (Kč) |
||
počet | bez DPH | vč. DPH |
1 ks | 58,80 | 71,- |
od 11 ks |
48,- | 58,08 |
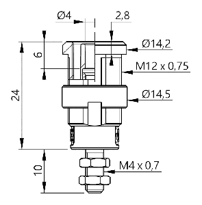
Zdířka pro banánek 4mm pro montáž na panel, bezpečnostní provedení.
Jmenovitý proud: 36A
Jmenovité napětí: 1kV
Barva: červená
Montáž: přišroubováním, na panel
Povrch kontaktu: niklovaný
Připojení: šroubové
Celková délka: 34mm
Shoda s normou: CAT III 1000V
Rozměry montážního otvoru: průměr 12,2mm
Made in France.
Elektronické součástky Zdroje energie
Jumperové konektory a jumpery (4-hranné piny)

