| Katalog : | 5102-0431 |
| Dostupnost : | na objednávku |
| (obvyklá max. doba dodání : 3-5 dnů) | |
přidat do mého seznamu oblíbených položek
nastavit hlídacího psa = pošle mail jakmile bude položka naskladněna
| cena eshop s DPH : | 1.211,- Kč |
| cena na prodejně : | 1.230,- Kč |
| sleva : | 1,54 % |
množstevní slevy eshop (Kč) |
||
počet | bez DPH | vč. DPH |
1 ks | 1.001,- | 1.211,- |
od 4 ks |
950,- | 1.149,50 |
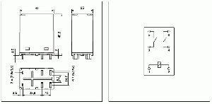
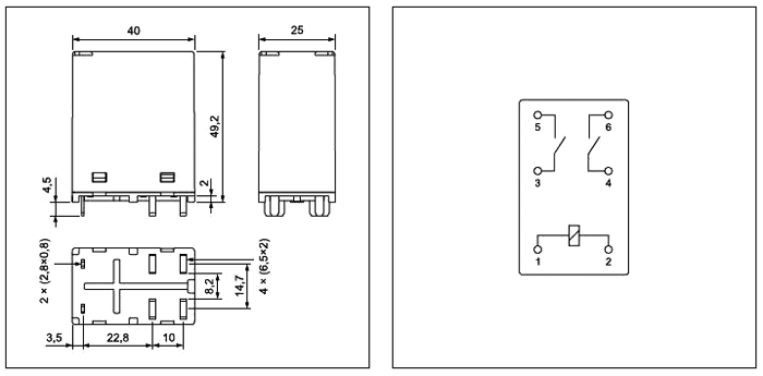
Relé pro fotovoltaiku 12VDC, 50A, 2x spínací kontakt
Konfigurace kontaktů: DPST-NO (2x spínací kontakt, v klidu rozepnutý)
Jmenovité napětí cívky: 12V DC (min. 9VDC, max. 24VDC)
Max. proud kontaktů: 50A
Zatížitelnost kontaktů DC (při odporové zátěži): 50 A / 250 VAC nebo 50 A / 24 VDC
Odpor cívky: 300 ohmů
Materiál kontaktu: AgSnO2
Pracovní teplota: -40...85°C
Vnější rozměry: 40 x 25 x 49.2mm (ŠxDxV)
Montáž: do plošného spoje
Odpor kontaktů: 50mOhm
Příkon přes cívku: 480mW
Doba sepnutí: 30ms
Doba rozepnutí: 5ms
Stupeň krytí: IP40
Vývody: cívka 2x 2.8x0.8mm, kontakty 4x 6.5x2mm
Elektronické součástky Zdroje energie
220...240VAC stř.


