Mikrospínač ON-(ON) SW2A-LC
| Katalog : | 5108-4411 |
| Dostupnost : | na objednávku |
| (obvyklá max. doba dodání : 3-5 dnů) | |
přidat do mého seznamu oblíbených položek
Jakmile bude položka naskladněna, přijde Vám zpráva.
nastavit hlídacího psa = pošle mail jakmile bude položka naskladněna
| cena eshop s DPH : | 28,- Kč |
| cena na prodejně : | 30,- Kč |
| sleva : | 6,67 % |
množstevní slevy eshop (Kč) |
||
počet | bez DPH | vč. DPH |
1 ks | 23,25 | 28,- |
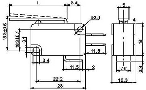
Mikrospínač 250V/10A s páčkou.
Konfigurace kontaktů: SPDT (1x přepínací kontakt)
Zatížitelnost kontaktů AC (při odporové zátěži): 10 A / 250 VAC
Způsob přepínání: ON-(ON)
Počet stabilních poloh: 1-polohové
Vývody: FastOn
Rozměry tělesa: 28 x 10.3 x 16mm
Rozteč montážních otvorů: 22.2 x 10.3mm
Délka páčky: 30mm
Elektronické součástky Zdroje energie
Spínače DIP

