BT-L40/10A LC termostat spínací
| Katalog : | 5125-0101 |
| Dostupnost : | na objednávku |
přidat do mého seznamu oblíbených položek
Jakmile bude položka naskladněna, přijde Vám zpráva.
nastavit hlídacího psa = pošle mail jakmile bude položka naskladněna
| cena eshop s DPH : | 30,- Kč |
| cena na prodejně : | 31,- Kč |
| sleva : | 3,23 % |
množstevní slevy eshop (Kč) |
||
počet | bez DPH | vč. DPH |
1 ks | 25,- | 30,- |
od 2 ks |
25,- | 30,25 |
Termostat sepne při 40°C, max. proud: 10A
Konfigurace výstupu: NO (v klidu rozepnutý, po doasažení teploty sepne)
Teplota rozepnutí: 40°C
Max. pracovní proud: 10A
Max. prac. napětí: 250V AC
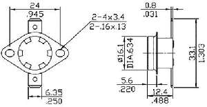
Připojení: konektor FastOn š. 6,4mm
Vývody: vodorovně s tělem
Vnější rozměry. průměr 16mm x výška 12mm,
Rozteč šroubů: 24mm
Elektronické součástky Zdroje energie
Přepínače, vypínače, tlačítka, klávesnice

